Схемы подключения теплого пола
Чаще всего применяют 4 схемы подключения. Каждая из них применяется в отдельных случаях. Все зависит от вида системы отопления, количества комнат, используемых материалов и прочих факторов.
Напрямую от котла
Такая схема предполагает наличие котла, от которого распределяется теплоноситель на теплый пол и другие отопительные системы (к примеру, дополнительный радиатор). Охлаждаясь, жидкость поступает обратно в котел, где заново нагревается. В системе еще используют насос, который регулирует движение теплоносителя.

В данном видео специалист показывает готовую систему, установленную напрямую от котла. Дает полезные комментарии к своей работе:
Теплый пол от двух контурого котла.
Смотрите это видео на YouTube
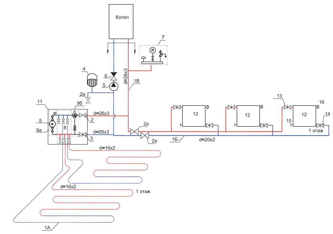
От трехходового клапана
Данный вид подключения обычно применяется при комбинированной системе отопления. Учитывая, что от котла поступает вода с температурой 70-80 градусов, а теплый пол разгоняет теплоноситель температурой до 45 градусов, то системе нужно как-то охладить горячий поток. Для этого и устанавливается трехходовой клапан.

Как это работает? Обратите внимание на схему:
- От котла поступает горячая вода.
- Одновременно с другой стороны в клапан поступает остывшая вода (которая прошла по теплому полу, нагрела его, остыла и вернулась обратно).
- В центре клапана происходит смешивание горячей воды и остывшей обратки.
- Термоголовка клапана регулирует необходимую температуру. Когда она доходит до нужных 40-45 градусов – вода поступает снова по трубам теплого пола, нагревая помещение.
Отрицательным моментом является невозможность точно распределить дозировку холодной и горячей воды. В некоторых случаях на входе в теплый пол может поступить или слишком охлажденная жидкость, или немного перегретая.
Но, учитывая, что монтаж такой системы очень прост и не «бьет по кошельку», то многие соглашаются на такой вариант подключения. К примеру, отличным вариантом будет выбор, где заказчик не имеет высоких требований и хочет сэкономить.
Пример реальной схемы:

В данном видео специалист-установщик подробно рассказывает о начинке трехходового клапана, в каких случаях его лучше устанавливать и какие его разновидности бывают. Инженер озвучивает возможные ошибки и дает рекомендации, как их избежать:
Трехходовой клапан. Устанавливаем правильно.
Смотрите это видео на YouTube
От насосно-смесительного узла
Схема смешанная. Имеет зону радиаторного отопления, теплый пол, насосно-смесительный узел. Подмешивание проходит от остывшей воды теплого пола, которая пришла с «обратки», к нагретой котловой.

В каждом смесительном узле установлен клапан балансировки. Он точно дозирует объемы остывшей жидкости (обратки) к подмесу в горячую воду. Это способствует добиться точных данных по температуре входа теплоносителя в теплый пол для его подогрева.
От радиатора
Во многих помещениях и квартирах запрещено применять такую схему подключения теплого пола. Но там, где это позволительно (разрешение берется в ЖКХ или УК вашего дома), то схема проводится напрямую через радиатор (батарею).

Нагретая вода напрямую поступает из радиатора в теплый пол. Остывшая вода попадает в кассетный ограничитель температуры и возвращается в радиатор (выход теплоносителя).
Установка самая простая и бюджетная. Но тут есть свои минусы – вода от радиатора бывает слишком горячей для теплого пола. Отсюда вытекающие – недолговечность системы и материала, слишком горячий пол. В летний сезон, когда отключают отопление – пол будет холодный.
Идеальное место применения подогрева пола от радиатора – санузел, лоджия.
В видео представлен монтаж теплого пола напрямую от общего радиатора отопления. Установщик детально показывает, как это сделать с минимальными потерями. Установка 3-х контуров: кухня, санузел, гостиная. Квартира небольшая:
Как сделать теплый пол от отопления? Подключаю теплый пол к системе отопления без коллектора
Смотрите это видео на YouTube
Виды подключения теплого пола к системе отопления
Комбинированное отопление радиаторы плюс теплый пол может быть единственным возможным способом достижения комфортных условий в помещении. Но по ряду причин невозможно теплый водяной пол, подключить простой «врезкой» в стояк или трубы отопления, обеспечив таким образом подачу горячей воды и ее возвращение в систему (обратку). Основными из них являются:
- самостоятельная циркуляция воды в тонких и протяженных трубах невозможна, а, значит, для подключения к отоплению необходим насос;
- для согласования давления в системе, необходимо устройство его сглаживания, предотвращающее эффект гидроудара;
- необходимо удалять из системы воздух;
- фильтрация воды, особенно актуальная в системах центрального отопления, подразумевает наличие грязеуловителей;
- наличие смесителя, обусловлено необходимостью перемешивать воду из подачи и обратки в определенных пропорциях для достижения требуемой температуры в контуре теплого пола (понижение температуры воды относительно отопительной системы);
- приборы для регулировки и учета (для ЖКХ) объективно необходимы.
Из-за этих факторов схема подключения теплого пола к системе отопления значительно усложняется.
Иногда метод простой врезки все же применяют, но это относится исключительно к помещениям малой площади, менее 10 кв.м. ванной, например. Это никоим образом не отменяет согласование с ЖКХ и установку сопутствующих счетчиков.
Виды (схемы) подключения водяных теплых полов в случае автономного домашнего отопления или при получении разрешения от ЖКХ, предполагающие врезку непосредственно в трубы системы, представлены на рисунке.
Схема подключения водяного теплого пола к системе отопления
Наиболее простая, а, соответственно, недорогая схема подключения теплого пола к котлу «а» работает с использованием двухходового краника, связанного с термостатом. Теплота регулируется путем уменьшения или увеличения потока вентилями-регуляторами (3 и 4). Перепускной клапан 8 служит для выравнивания давления.
Схема «б» в принципе аналогична первой, с тем лишь исключением, что коллекторы связаны напрямую перемычкой 8 совместно с клапаном, запирающим подачу при превышении давлением допустимого значения.
Высокую надежность и простоту сочетает в себе схема «в». Здесь на обратке устанавливается трехходовый кран (11), который перенаправляет охлажденную воду на участок подачи.
Более совершенная, нежели предыдущая, схема «г» отличается более чувствительной регулировкой температуры. Это объясняется наличием на трубе подачи трехходового смесителя (9), который перемешивает воду до попадания ее в циркуляционный насос (1).
Нет предела совершенству. Справедливость высказывания подтверждает схема «д». В ней применен четырехходовый клапанный смеситель, который может управляться вручную и при помощи сервопривода, реагирующего на сигналы, поступающие от блока термостата.
Схема «е» описывает оптимальное подключение теплого пола в квартире к системе центрального отопления через теплообменник (14). Здесь подразумевается наличие соответствующего разрешения для выполнения данной процедуры, а также воздухоотводника, манометра, клапана избыточного давления и расширительного бака (13). Эти элементы составляют группу безопасности (12) при подключении теплого пола от батареи.
Пытаясь улучшить эстетику интерьера, насосно-смесительный узел можно «спрятать» как угодно далеко. Однако, доступ к запорным и регулировочным кранам, а также к счетчикам, манометрам и другим элементам контроля и управления должен осуществляться быстро и беспрепятственно.
Собранный насосно-смесительный узел, обеспечивающий включение и управление теплого водяного пола, должен выглядеть примерно так, как показано на рисунке:
По каким критериям выбирать котлы
Довольно сложный вопрос, для принятия правильного решения нужно на нем остановиться более подробно. С точки зрения монтажа дополнительных систем отопления технические показатели котлов не имеют большого значения, все они генерируют тепловую энергию в достаточном количестве, что дает возможность подключать системы. Но на практике не все так просто. Какие существуют отопительные котлы?
| Тип котла | Технические параметры |
|---|---|
![]() Газовый | Оптимальный выбор для комбинированных систем отопления. Может работать полностью в автоматическом режиме, имеет отличные показатели КПД. В реализации есть товары, отличающиеся по размерам, способу монтажа (напольный и настенный), тепловой мощности, количеству контуров (одно- и двухконтурные), установленному электрооборудованию и арматуры. Широкий диапазон технических параметров и стоимости позволяет всем покупателям выбрать подходящий для себя вариант. Единственная проблема – не во всех регионах нашей страны есть газовые магистрали. |
![]() Электрический | Современный котел, полностью отвечает жестким требованиям по технике безопасности, степени автоматизации и эффективности. Может подключаться к системам «умный дом», что существенно улучшает параметры микроклимата в помещениях и экономит энергоносители. Имеет два недостатка. Первый всем известен – большая мощность выдвигает особые требования к электропроводке, необходимы согласования с контролирующими организациями. Второй недостаток известен только практикам. Нагрев воды осуществляется специальным элементом теном, площадь его поверхности незначительна. Во многих регионах вода очень жесткая, на нагревательном элементе откладываются твердые соли. Толщина отложений всего в один миллиметр понижает коэффициент полезного действия примерно на 5–10%. Кроме того, из-за них ухудшается процесс теплообмена между нагревателем и водой, температура его нагрева превышает критическую, это становится причиной быстрого выхода устройства из строя. Что касается различных фильтров очистки воды от растворов солей, то их фактические возможности очень далеки от рекламируемых. |
![]() Твердотопливный | Чаще всего используется на дачах или в загородных поселках, в которых отсутствует природный газ. Современные модели увеличивают время горения топлива, что упрощает эксплуатацию котла. Но подключать их к системам комбинированного отопления не рекомендуется из-за сложности регулировки температуры теплоносителей. |
Все современные твердотопливные котлы имеют еще один существенный недостаток, о нем не упоминают производители.
Проблемы твердотопливных котлов
Почему профессионалы настоятельно не рекомендуют подключать к комбинированным системам обогрева твердотопливные котлы? Мы не будем останавливаться на том, что температура нагрева теплоносителя зависит не от пожеланий жильцов, а от физических характеристик и параметров горения топлива, это понимает большинство потребителей. Твердотопливные котлы имеют еще один неприятный недостаток.
Увеличения коэффициента полезного действия можно добиться одним способом – увеличить количество передаваемой энергии топлива (огня и дыма) емкости с водой. Достигается это путем увеличения площади поверхности контакта и длительности передачи энергии. Размеры емкости имеют прямое влияние на габариты котла, злоупотреблять этим параметром нельзя. Для повышения теплоотдачи конструкторы дополнительно замедляют процесс горения за счет ограничения подачи к топливу кислорода, так оно горит длительный период времени. Но уменьшение кислорода автоматически уменьшает тягу и температуру дыма.

Котел длительного горения на твердом топливе
Все виды твердого топлива в результате горения продуцируют много пепла и сажи, при недостатке кислорода их количество еще более увеличивается. Топливо имеет определенную влажность, при горении выделяется пар. Пар конденсируется на стенках дымохода, к нему прилипает сажа и со временем тяга полностью исчезает. Такая ситуация может стать причиной трагических возникновения ситуаций.

Скопление сажи на внутренних стенках дымохода
В домах с обыкновенным печным отоплением дымоходы периодически прочищаются сильным горением, в современных закрытых отопительных системах так сделать нельзя. Вода может закипеть, а установленные расширители закрытого типа. Как следствие – разрыв пластиковых труб, котла или нарушение герметизации фитингов.
Двухтрубная система с нижней разводкой
Далее мы будем рассматривать двухтрубные системы, отличающиеся тем, что они обеспечивают равномерное распределение тепла даже по самым большим домовладениям с множеством комнат. Именно двухтрубная система используется для обогрева многоэтажных домов, в которых очень много квартир и нежилых помещений – здесь такая схема работает великолепно. Мы же будем рассматривать схемы для частных домов.

Двухтрубная система отопления с нижней разводкой.
Двухтрубная система отопления состоит из подающей и обратной труб. Между ними устанавливаются радиаторы – вход радиатора подключается к подающей трубе, а выход – к обратной. Что это дает?
- Равномерное распределение тепла по помещениям.
- Возможность регулировки температуры в помещениях путем полного или частичного перекрывания отдельных радиаторов.
- Возможность обогрева многоэтажных частных домов.
Существуют две основные разновидности двухтрубных систем – с нижней и верхней разводкой. Для начала мы рассмотрим двухтрубную систему с нижней разводкой.
Нижняя разводка используется во многих частных домах, так как позволяет сделать отопление менее видимым. Подающая и обратные трубы проходят здесь рядом друг с другом, под батареями или даже в полах. Удаление воздуха осуществляется через специальные краны Маевского. Схемы отопления в частном доме из полипропилена чаще всего предусматривают именно такую разводку.
Достоинства и недостатки двухтрубной системы с нижней разводкой

При монтаже отопления с нижней разводкой мы можем спрятать трубы в полу.
Давайте посмотрим, какими положительными чертами обладают двухтрубные системы с нижней разводкой.
- Возможность маскировки труб.
- Возможность использования радиаторов с нижним подключением – это несколько упрощает монтаж.
- Минимизируются тепловые потери.
Возможность хотя бы частично сделать отопление менее видимым привлекает многих людей. В случае с нижней разводкой мы получаем две параллельные трубы, идущие вровень с полом. При желании их можно завести под полы, предусмотрев эту возможность еще на этапе проектирования системы отопления и разработки проекта строительства частного дома.
Что касается недостатков, то они заключаются в необходимости регулярного ручного удаления воздуха и необходимости использования циркуляционного насоса.
Особенности монтажа двухтрубной системы с нижней разводкой

Пластиковый крепеж для труб отопления разного диаметра.
Для того чтобы смонтировать систему отопления по данной схеме, необходимо проложить по дому подающую и обратную трубы. Для этих целей в продаже есть специальный пластиковый крепеж. Если используются радиаторы с боковым подключением, делаем отвод от подающей трубы к верхнему боковому отверстию, а забираем теплоноситель через нижнее боковое отверстие, направляя его в обратную трубу. Рядом с каждым радиатором ставим спускники воздуха. Котел в такой схеме устанавливается в самой нижней точке.
Такая схема чаще всего делается замкнутой, с использованием герметичного расширительного бака. Давление в системе создается с помощью циркуляционного насоса. Если нужно обогреть двухэтажный частный дом, прокладываем трубы на верхнем и нижнем этажах, после чего создаем параллельное подключение обоих этажей к отопительному котлу.
Требования к помещениям с газовыми котлами

Теперь рассмотрим требования, которые выдвигаются к помещениям с газовыми котлами. Газовые котлы, мощность которых не превышает 30 кВт, могут устанавливаться на любом из этажей почти во всех помещениях, кроме тех, в которых постоянно находятся люди (спальни, гостиные, детские, а также гаражи и лестничные площадки, если котлы оборудованы открытой камерой сгорания). При использовании сжиженных газов ограничений больше, например, они не могут устанавливаться в цокольных или подвальных помещениях. Котлы, мощность которых превышает 30 кВт, устанавливаются в отдельных помещениях с высотой потолка не ниже 2,5 м. Объем помещения для газовых котлов мощностью до 30 кВт должен быть минимум 7,5 м3, если котел находится на кухне, где кроме него есть еще и газовая плита на 4 горелки, минимальный объем такой кухни – 15 м3.
Вентиляция помещения с газовым котлом
Для обеспечения подачи воздуха в помещение с газовым котлом используется приточное отверстие сечением не меньше 200 см2, находящееся на высоте не более 30 см от пола. Воздух может поступать как с улицы, так и из соседних помещений.
В котельных, где установлены котлы, работающие на сжиженном газе, вытяжное отверстие должно находится внизу на уровне пола, а вытяжной канал должен иметь наклон, направленный наружу. Это связано с тем, что сжиженный газ тяжелее воздуха, и при утечке он опустится вниз. Приточное отверстие тоже должно находится на уровне пола и иметь сечение 200 см2.
Проектирование теплого пола
Перед проектированием теплого пола следует убедиться в отсутствии препятствий для монтажа:
- Высота потолков. Толщина теплого пола около 12 см. Этот размер должен быть заложен в первоначальный проект дома.
- Место монтажа дверей. После укладки и заливки стяжки пол поднимется. Высота дверного проема должна быть сохранена (2,2 м). В противном случае потребуется его увеличение или изготовление новых дверей.
- Ориентация окон. Северные и северно-западные окна повышают потери тепла. Для компенсации следует повысить мощность системы. При тепловых потерях более 100 Вт/кв.м. установка водяного теплого пола нецелесообразна.
- Несущая способность плит перекрытия или балок. Необходимо, чтобы плиты перекрытия выдержали нагрузку от бетонной стяжки пола.
Расчет теплого пола
Объем требуемого материала зависит от параметров помещения и характеристик оборудования. Для расчета используют следующие данные:
- высота помещения и площадь пола;
- материал перекрытия и стен;
- вид и степень теплоизоляции;
- тип напольного покрытия;
- диаметр и материал труб;
- мощность централи ли котла;
- желаемая температура.

Для более точного расчета лучше использовать онлайн-калькулятор.
Выбор схемы подключения
Перед тем, как производить подключение теплого пола к системе отопления, важно выбрать оптимальную схему монтажа. Она зависит от потребностей владельца в отопительных приборах и конструктивных особенностей дома. В частности, конструкция водяного теплого пола зависит от площади и формы помещения, его планировки и деления на зоны, схемы расстановки мебели и бытовых приборов, а также от наличия в комнате наружных стен, пропускающих вовнутрь дома холод с улицы
В частности, конструкция водяного теплого пола зависит от площади и формы помещения, его планировки и деления на зоны, схемы расстановки мебели и бытовых приборов, а также от наличия в комнате наружных стен, пропускающих вовнутрь дома холод с улицы.
Наиболее распространенные схемы подключения предполагают спиралевидную укладку труб.
Однако, если необходимо сконструировать водяной пол своими руками в больших комнатах, то можно выбрать вариант укладки труб в виде петель или змейки. В независимости от выбранной схемы, для проведения работ по подключению мастеру потребуется купить гребенку для отопления, коллектор, циркуляционный насос. фитинги, шаровые клапаны, трубы, распределитель отопления и прочее оборудование.
Схема монтажа с использованием системы отопления
Гидравлические теплые полы, подключенные к системе отопления, могут использоваться для обогрева всего дома, однако такой вариант приемлем лишь для частных домов, не зависящих от централизованного отопления. Желающим установить теплый пол в квартире от центрального отопления следует понимать, что такой вариант нецелесообразен по ряду причин. Среди них возможность гидроударов, низкое качество теплоносителя, высокое сопротивление воды в трубах, скачки температуры и пр.
В тоже время, жителям частных домов и владельцам квартир с проектами автономного обогрева сделать полноценный теплый пол от отопления своими руками не так сложно, главное придерживаться правильного порядка действий.
Перед тем, как делать теплый пол от отопления, стоит подобрать и обустроить смесительный узел.
Данный элемент предназначен для регулирования температуры теплоносителя, поскольку слишком горячая вода, предназначенная для настенных радиаторов, в системе теплого пола является недопустимой. Смесительный узел понижает температуру до приемлемых значений, которые составляют 35-40 градусов.
Сама схема подключения теплого пола к системе отопления имеет следующий характер. В строгой последовательности к системе отопления на подачу сперва подключается циркуляционный насос, затем датчик температур и в заключение трехходовой смесительный клапан. В свою очередь, на обратку устанавливается еще один клапан, выход которого соединен с трубой подачи охлажденного теплоносителя, циркулирующего по контуру к смесительному клапану.
После того, как схема собрана, теплоноситель будет циркулировать по контуру теплого пола в следующей последовательности. Сначала циркуляционный насос подает воду в систему теплых полов, затем теплоноситель охлаждается трехходовым клапаном, после чего проходит по всему контуру и возвращается на обратку.
Схема коллекторного подключения
Можно подключить теплый пол от котла отопления и другим методом. Для этого потребуется коллектор и гребенка. Схема подключения предельно проста и подразумевает всего несколько этапов. На первом этапе потребуется гребенка для отопления цена которой зависит от модели. С ее помощью производится соединение труб греющих контуров с коллектором. А второй этап состоит в подключении коллектора к отопительному котлу. Однако для того, чтобы схема работала с максимальной отдачей, в процессе монтажа необходимо придерживаться некоторых нюансов.
В частности, важно проследить за правильностью монтажа коллектора. Он должен быть установлен с расчетом того, что в дальнейшем трубы отопления можно будет подвести и подключить максимально удобно. Конструкция коллектора для большей функциональности системы должна включать в себя перечисленные ниже элементы:
Конструкция коллектора для большей функциональности системы должна включать в себя перечисленные ниже элементы:
Для удобства настроек и контроля показателей работы системы, коллектор может быть дополнительно оборудован термостатическими приборами, регулирующими уровень прогрева теплоносителя, циркулирующего в контуре.
Виды систем для обогрева пола
Есть две принципиально разные системы, рассмотрим их сильные и слабые стороны. Выбор схемы повлияет на комфортность пребывания в жилых помещениях, имейте это в виду во время принятия решения, учитывайте не только технические параметры различных схем, но и особенности помещений и существующих отопительных систем.
Водяной теплый пол
Позволяет получать равномерный подогрев пола, совместим с некоторыми существующими системами отопления домов старой застройки. К недостаткам относится сложность оборудования и монтажных работ и высокая сметная стоимость. Кроме того, водяная система уменьшает высоту помещения минимум на 10 см за счет бетонной стяжки. Для создания монтажной схемы помещение разбивается на отдельные участки с учетом размеров и конфигурации пола, каждый контур должен иметь примерно одинаковую длину труб, в противном случае нагрев будет неравномерным по площади. В зависимости от технологии строительства водяной пол может иметь несколько схем монтажа.
- По бетонному основанию. Состоит из слоя теплоизоляции по бетонному основанию, металлической сетки для укладки труб, трубопроводов, верхней стяжки и финишного полового покрытия.
Укладка пенополистирола
Разводка труб
Укладка сетки
Крепление трубы к сетке
- Полистирольная. Более современный метод укладки водяного теплого пола, цементно-песчаной стяжки делать нет надобности. На теплоизоляционный слой укладываются специальные полистирольные плиты с местами для фиксации пластиковых трубопроводов. Готовая разводка накрывается гипсоволоконными плитами, на которые укладывается финишное половое покрытие.
Маты IPS, укладка
Маты для теплого водяного пола
Общий недостаток водяного подогрева пола – аварийные ситуации имеют очень серьезные последствия. Наиболее сложные элементы водяного теплого пола смесительный узел и коллектор.
Описание видов смесительных узлов
Смесительный узел обеспечивает постоянную и сбалансированную циркуляцию нагретой воды по уложенным контурам, изменяет скорость движения, самостоятельно поддерживает заданную температуру нагрева пола и теплоносителя. В зависимости от конструкционных особенностей может иметь несколько видов:
- с последовательным соединением водяного насоса и двухходовым термоклапаном;
- с последовательным соединением водяного насоса и трехходовым термоклапаном;
- с последовательным соединением водяного насоса, трехходовой термоклапан функционирует со сходящимися в одном узле потоками;
- с параллельным присоединением водяного насоса, термоклапан двухходовой;
- водяной насос подсоединен параллельно, термоклапан трехходовой.

Смесительный узел для теплого пола
Каждая схема имеет свои особенности, подбор осуществляется с учетом технических параметров и количества контуров подогрева.
Разводка труб для радиаторов и теплого водяного пола
Распределительные коллекторы
Предназначены для подключения в одном месте всех отопительных устройств системы подогрева пола. В зависимости от номенклатуры и количества дополнительного специального оборудования могут быть простыми и усовершенствованными. Простые не имеют никакой арматуры и служат только для соединения фитингов. Усовершенствованные имеют датчики контроля, устройства исполнения, измерительные приборы и т. д.
Электрический и инфракрасный теплый пол
В электрических системах проводка делается кабелями, нагревающими половые покрытия. Этот вариант считается устаревшим, компании-производители предлагают более современное решение теплых полов с использованием электроэнергии – инфракрасные. Для подогрева применяются специальные пленки с карбоновыми нагревательными элементами.

Инфракрасный теплый пол
Преимущества теплых полов с подогревом электроэнергией – простота монтажа и отсутствие мокрых этапов.
Монтаж инфракрасного теплого пола
Еще одно достоинство – терморегулятор можно установить в любом незаметном месте, габариты устройства всего несколько сантиметров.
Установка терморегулятора

Крепление подключенного терморегулятора
Для подогрева помещений требуется, чтобы нагреватели имели максимальную мощность в пределах 100 Вт на квадратный метр, а среднее значение потребляемой мощности 20–40 Вт. Такие эксплуатационные характеристики существенно упрощают процесс монтажа, незначительное увеличение потребления электрической энергии часто не требует предварительных согласований с владельцами компаний. Именно для этого варианта дадим пошаговую инструкцию установки.
Врезка в однотрубную систему с дополнительным насосом
Такой вариант подключения имеет даже своё особое название – «ленинградка». Её применение требует установки насоса и проведения самостоятельной сборки смесительного узла.
Чтобы готовая система функционировала без перебоев, потребуется учесть соответствие её параметров следующим требованиям:
- раздающая магистраль по внутреннему диаметру соответствует DN25 или больше;
- на кольце размещено не более 5 радиаторов;
- петля тёплого пола подсоединяется к обратному трубопроводу после батарей;
- места врезки обратки и подачи располагаются на расстоянии больше, чем 30 см друг от друга;
- степень нагрева контура регулируется смесительным клапаном (трёхходовым, упрощённой конструкции).

Чертеж разводки теплого пола и однотрубного отопления радиаторами
В этой системе клапан необходим для приготовления воды требуемой температуры, а насос – для прогонки теплоносителя по контуру. С практическим применением такой схемы сталкиваться почти не приходится, поскольку функционирует она нестабильно, а радиаторы теряют балансировку из-за изменения расхода воды, вызванного работой насоса.
Схема с трехходовым клапаном
В подавляющем большинстве домов монтируют именно эту комбинированную систему теплых полов.


Спецификация материалов и оборудования

Она включает в себя:
наличие радиаторов отопления с нагревом до 70-80С
отдельный контур ТП со средней температурой воды в 40С
Главный вопрос здесь — как получить из 80 градусов идущих на батареи, поток воды для теплых полов в два раза меньшей температуры.
Проблема решается при помощи трехходового термостатического клапана.
Монтируется он на подающей трубе. При этом после него не забудьте поставить циркуляционный насос.
Более холодная вода берется из обратки теплого пола. Смешиваясь с горячей водой поступающей из котла, теплоноситель и приобретает пониженную температуру, необходимую для напольного отопления.
Недостатком такой схемы является то, что вы не сможете точно ограничить и отрегулировать поток остывшей воды из обратки. Чем это чревато?
Тем, что в трубки теплых полов периодически будет попадать как слишком остывшая вода, так и наоборот — перегретая сверх нормы.
Эффективность и комфорт всей системы из-за этого страдает.
Непридирчивый человек этого может и не заметить, тем не менее данные перепады температуры в этой схеме присутствуют, и от них никуда не деться. Конечно, временные отрезки подачи горячего и непрогретого теплоносителя могут компенсироваться тепловой инерцией бетона стяжки.
Но это все относительно. Никогда точно не рассчитаешь оптимальную толщину при таком обогреве.
Достоинства такой комбинированной схемы с трехходовым клапаном:
простой монтаж
доступная цена оборудования
Такой способ монтажа себя оправдывает, если у вас квартира или дом небольшой площади. Да и завышенными требованиями к суперкомфортным условиям проживания вы не страдаете.
Какие трубы подойдут для комбинированной системы отопления
Трубы выбирают с металлической прослойкой, которая препятствует излишнему расширению при нагревании
Изделия выбираются с учетом качества, стоимости, надежности, срока эксплуатации и простоты монтажа.
Медные трубы быстро нагреваются и эффективно отдают тепло, контуры из таких элементов отличаются отличными техническими характеристиками и стойкостью к коррозии, эксплуатируются 50–80 лет. Изделия стоят дорого, монтаж осуществляется только специалистами из-за сложности работы с медью.
Полипропиленовые трубы выпускаются с алюминиевым и стекловолокнистым армированием. В первом виде металлическая прослойка удерживает полимер от излишнего расширения. Требуется мастерство при сварке, т. к. часто происходит расслаивание материалов. Трубы со стекловолокном представляют прочные и качественные изделия за счет монолитности.
Металлопластиковые трубы отличаются приемлемыми показателями и применяются для радиаторного контура и теплого пола. Внутри располагается слой полипропилена с гладкими стенками, который не разрушается и не окисляется. Полиэтилен соединяется с алюминиевой трубой клеевой прослойкой. Монтируются изделия легко и не требуют специальных навыков, трубы гнутся, соединения выполняются прессовыми или резьбовыми фитингами.








































